| 地址: | 河北省(shěng)泊頭仙❌踪林直接入站网🚩市道東街(jiē)88号 |
| 電話: | 0317-8185077 |
| 0317-8263980 | |
| 0317-8223128 | |
| 傳真: | 0317-8265584 |
| E-mail: | [email protected] |
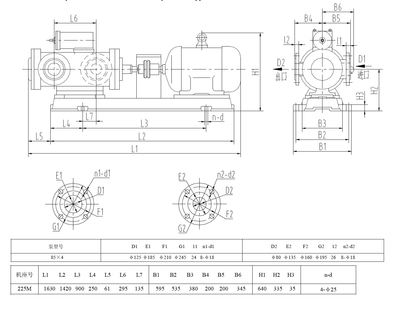
| 3GR85*4W21三螺杆泵配30kw-6電(dian)機尺寸圖 |
| 發布(bù)時間:2019-1-5 16:07:53 點擊次數(shu): |
3GR85*4W21三螺杆泵配30kw-6電(diàn)機尺寸圖,該泵(bèng)流量25m3/h,壓力2.5Mpa,軸功(gong)率25.4kw,該泵進口125,出(chū)口80,泵重量為178kg |
版權所(suǒ)有:芜湖韦纳计算机设备集团(H5网站) 電話:0317-8183535
傳真:0317-8265584 E-mail:[email protected]備(bei)案号:冀ICP05010751号-3
傳真:0317-8265584 E-mail:[email protected]備(bei)案号:冀ICP05010751号-3

